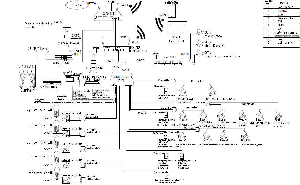
Pure House-Smart Home Frame
Households Smart Home of Chart Download


Previous page: Pure House
Next page: The Sky House
Households Smart Home of Chart Download


Previous page: Pure House
Next page: The Sky House